BROKK 90+SB152液壓砲

BROKK 90

Image

Image

Image

Image

BROKK 90 遙控拆卸機械人介紹示範



BROKK 90 遙控拆卸機械人+SB152液壓砲

BROKK 90 介紹

適合用於全密封空間,如玻璃幕牆圍封建築物內寫字樓,地下室或對噪音有限制要求的之清拆工程.

配接駁使用Epiroc SB152液壓砲, 能夠以高效率地拆卸石屎結構物.

機器特點

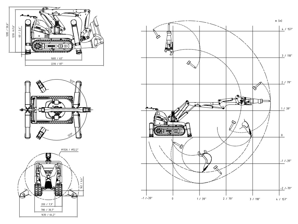
  • 機器凈重1015kg(不計附件工具)適合在一般樓宇樓板上行走操作.
  • 機身寬度只有780mm, 能夠通過所有一般所有寬度門口.
  • 可接駁多種不同附件工具, 靈活使用不同作業的需要.
  • 作業現場需要提供3相4線380V 帶32A過蛓保護器給機器供電操作.

Visit Website